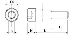
Hexagon socket countersunk head cap screw UNC 10.9