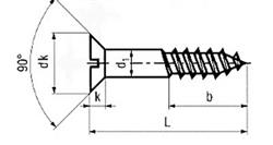
Houtschroeven PK Din 97 ELVZ