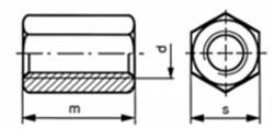
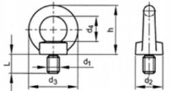
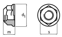
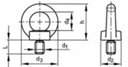
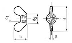
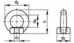
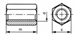
Threaded rods miscellaneous