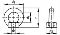
Lifting eye nuts, D 582 C15E zinc plated